设为首页
|
加入收藏
023-68189743
首页
关于我们
产品展示
解决方案
工程实例
新闻中心
销售网络
联系我们
资料下载
留言板
产品分类
OMAC欧麦克
OMAC在线式分析仪器
荧光溶解氧
PH、OPR双探头检测仪
在线硅酸根(二氧化硅)监测仪
污泥浓度检测仪
PHT、ORP、余氯检测仪
余氯_总氯_二氧化氯在线分析仪
溶解氧分析仪
国标法在线COD监测仪表
自动取样器
通用仪表
OMAC实验窒分析仪器
便携式溶氧仪
便携式浊度计
便携式余氯测定仪
便携式污泥浓度计
linuo力诺
阀门
刀闸阀
球阀
调节阀
蝶阀
WINTERS文特斯
WINTERS文特斯
机械压力仪表
电接点压力表
差压表
变送器
仪表阀阀组
化学密封隔膜
all-flo
ALL-FLO隔膜泵
FDA金属泵
金属泵
塑料泵
首页
>
产品展示
>
all-flo
>
ALL-FLO隔膜泵
> FDA金属泵
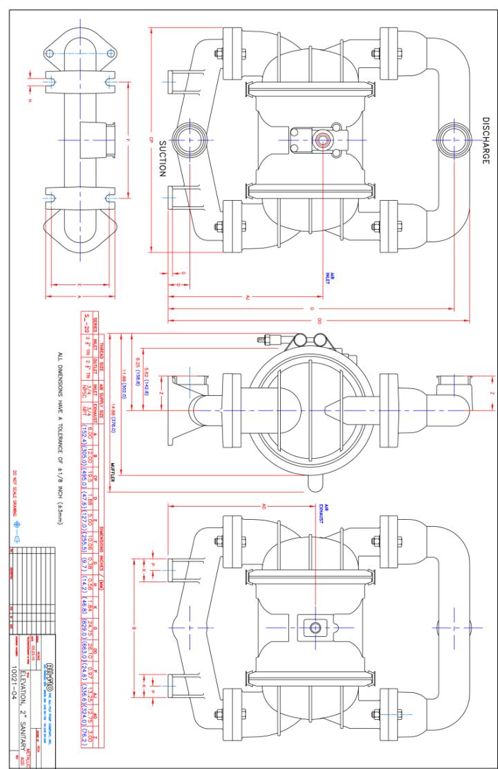
2寸FDA金属泵
上一条:没有了
下一条:1寸FDA金属泵
客户服务中心
QQ在线客服
在线咨询一
在线留言
电话咨询
023-6818 9743
023-6816 5201